2024-2025年本田維修電路圖線路圖接線圖資料更新

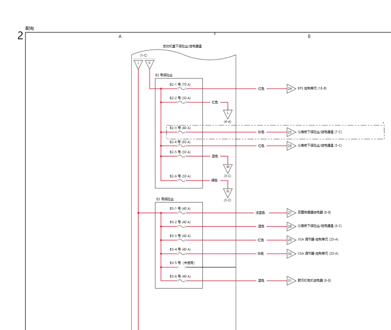
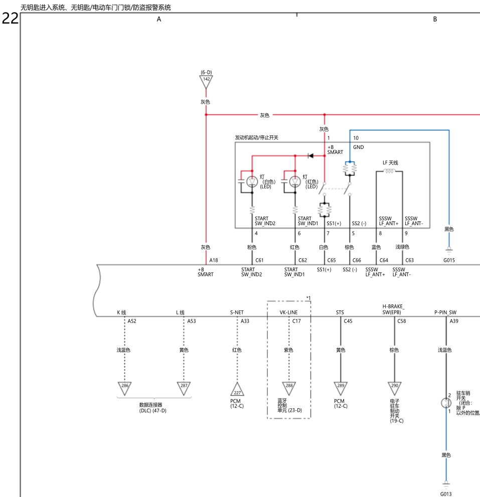
此次更新了2024-2025年本田車系電路圖資料,覆蓋市面上99%車型,包括維修手冊、電路圖、新車特征、車身鈑金維修數據、全車拆裝、扭力、發動機大修、發動機正時、保養、電路圖、針腳定義、模塊傳感器、保險絲盒圖解對照表位置等等!

汽修幫手汽車維修資料庫提供各大廠家車型維修手冊、電路圖、新車特征、車身鈑金維修數據、全車拆裝、扭力、發動機大修、發動機正時、保養、電路圖、針腳定義、模塊傳感器、保險絲盒圖解對照表位置等,并長期保持高頻率資料更新!

2024年本田冠道電路圖

2024年本田凌派(混動)電路圖

2024年本田凌派(燃油)電路圖

2024年本田型格(混動)電路圖

2024年本田型格(燃油)電路圖

2024年本田奧德賽(混動)電路圖

2024年本田極湃1電路圖

2025年本田極湃2電路圖

2024年本田皓影(插混)電路圖

2024年本田皓影(混動)電路圖

2024年本田皓影(燃油)電路圖

2024年本田繽智電路圖

2024年本田致在(混動)電路圖

2024年本田致在(燃油)電路圖

2024年本田雅閣(燃油)電路圖

2024年本田飛度電路圖

2024-2025年本田維修電路圖線路圖接線圖資料更新

2024-2025年本田維修電路圖線路圖接線圖資料更新

2024-2025年本田維修電路圖線路圖接線圖資料更新

2024-2025年本田維修電路圖線路圖接線圖資料更新